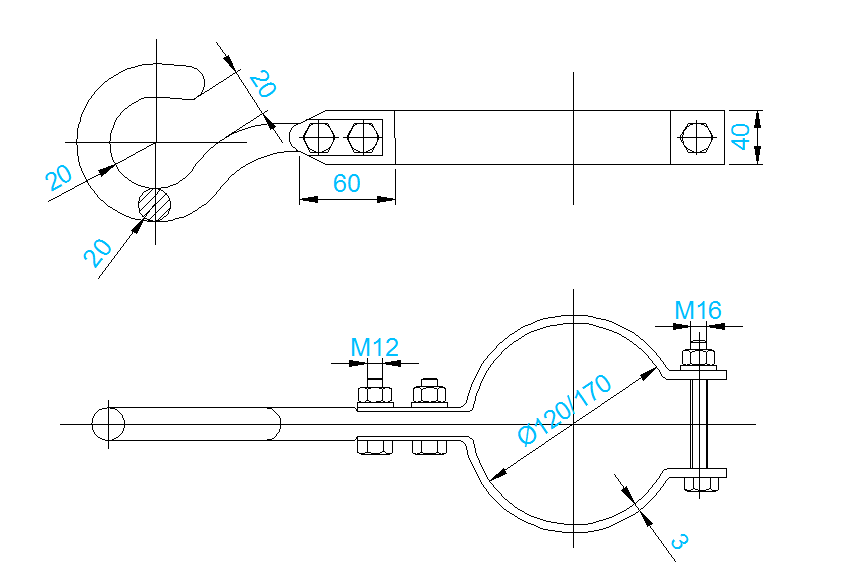
Nosač za stub sa pojasom PSK 11/2000 i 11/1300
PSK 11/2000 - 655770, PSK11/1300 - 02.02.99
PTT VESNIK 3/68, 7/74

* Izražene veličine su u milimetrima

Izrađeno prema: PTT Vesniku 3/68 i 7/74
Zaštita: Prema TU PTT Vesniku 9/1975
Primena: Za dozvoljeno opterećenje je 1300dN i 2000dN