Izrada metalnih proizvoda
Površinska zaštita metala - galvanizacija

PSK oprema

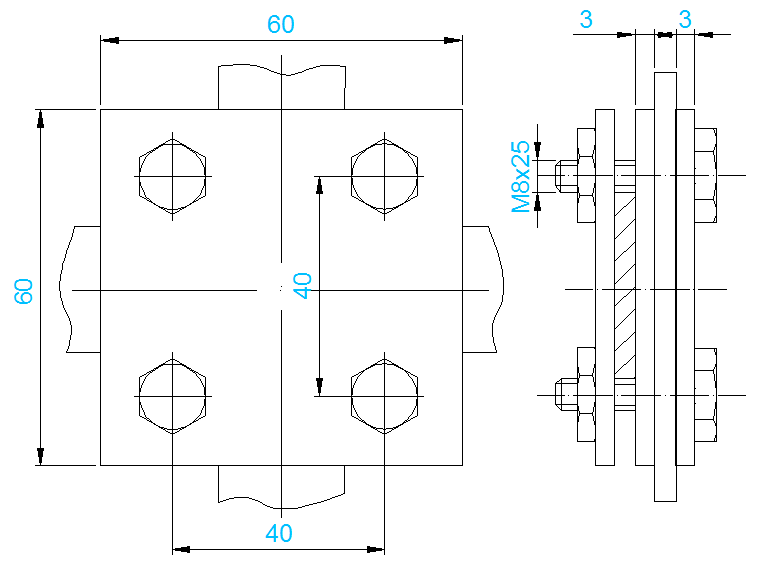
Komad ukrsni

566635
JUS N.B4.936/III 60x60 TT

 

komad ukrsni

* Izražene veličine su u milimetrima

komad ukrsni

Izrađeno prema: JUS N.B4.936/III 60x60 TT
Zaštita: Prema TU PTT Vesniku 9/1975

Kontakt

Laze Lazarevića 42, Novi Sad

Telefon:
021/ 466-351
       636-88-80
       636-88-92
       636-95-66
       469-098